Content on this page requires a newer version of Adobe Flash Player.

Get Adobe Flash player

 
 
 

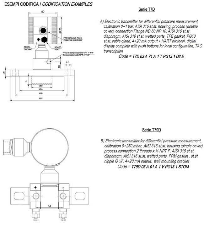
½º¸¶Æ® HART ÀüÀÚºÎ
AISI 316 St.Steel ÇÏ¿ì¡
340¡Æ ȸÀüÇü Çìµå
-ÃøÁ¤½ºÆÇ : 100 mbar - 100 bar
-¼öÀ§ ¿Í ¾ÐÇõ : Â÷¾Ð
-¼±ÅûçÇ× : ÇöÀåÁö½Ã°è ¹× Ǫ½¬¹öư
-½º¸¶Æ® Ãâ·Â : 4-20 mA (2-wires)
                     + HART protocol
-Á¤È®µµ : < 0.1% / 0.25%
-ÀÎÁõ : EEx ia ATEX


 

Warning: Unknown(): write failed: Disk quota exceeded (122) in Unknown on line 0

Warning: Unknown(): Failed to write session data (files). Please verify that the current setting of session.save_path is correct (../data/session) in Unknown on line 0